F4K系列马达

——

产品分类
— PRODUTC —
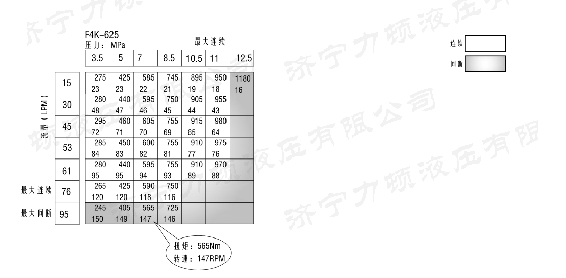
  • F4K标准大方马达
    1. F4K标准大方马达F4K标准大方马达F4K标准大方马达F4K标准大方马达F4K标准大方马达F4K标准大方马达F4K标准大方马达F4K标准大方马达F4K标准大方马达F4K标准大方马达F4K标准大方马达F4K标准大方马达F4K标准大方马达F4K标准大方马达

F4K标准大方马达

地址:山东省济宁市任城区聚源电商小镇4号楼21号 

电话/微信:135-0638-8161(张经理)
电话/微信:135-8376-7126(李经理)
电话:0537-2635166
传真:0537-2635199   2310286


er

信息详情



F4K标准大方马达 2023-7-18 本文被阅读 3012次
上一条:F4K标准小方马达下一条:FRE系列车轮液压马达

同类产品